Двухступенчатый червячный мотор-редуктор CMU (MU+MU) SITI (Сити): характеристики, устройство, принцип работы, цена

СMU30-U30, СMU30-U40, СMU30-U50, CMU40-U40, CMU40-U50, CMU40-U63, CMU40-U75, CMU40-U90, CMU50-U75, CMU50-U90, CMU50-U110, CMU63-U90, CMU63-U110, CMU75-U110, CMU75-I130, CMU75-I130, CMU90-I175

Двухступенчатые червячные мотор-редукторы серии CMU служат в качестве привода машин и агрегатов, применяются в изделиях, где требуются низкие обороты и высокий момент. Редукторы построены на базе двух червячных редукторов серии MU соединенных последовательно, при этом общее передаточное отношение это сумма передаточных чисел первого и второго редукторов. Комплектуются мотор-редукторы асинхронными электродвигателями в диапазоне мощностей 0,09-5,5 кВт, линейкка передаточных чисел 225/1 - 10000/1 позволяет получить выходные обороты от 0,1 – 13 об/мин.

Серия имеет следующие типоразмеры:
СMU30-U30, СMU30-U40, СMU30-U50, CMU40-U40, CMU40-U50, CMU40-U63, CMU40-U75, CMU40-U90, CMU50-U75, CMU50-U90, CMU50-U110, CMU63-U90, CMU63-U110, CMU75-U110, CMU75-I130, CMU75-I130, CMU90-I175

 

Система обозначения червячных мотор-редукторов серии VF/W

С
MU
- 40
- U
- 50
- 1200
- 1,17
- F
- AAL
- 0,12
- 252
- 380
- 50
- (4P)
1
2
3
4
5
6
7
8
9
10
11
12
11
12

 

1 – Cерия двухступенчатого редуктора
2 – Cерия редуктора первой ступени (MI,MU)
3 – Межосевое расстояние редуктора первой ступени, мм
(30,40,50,63,75,90,110,130,150,175)
4 – Cерия редуктора второй ступени (I,U)
5 – Межосевое расстояние редуктора второй ступени, мм
(30,40,50,63,75,90,110,130,150,175)
6 – Номинальное передаточное отношение сборки
7 – Число оборотов выходного вала, об/мин
8 – Фланец на выходном валу редуктора (F,FBR,FBM,FBML)
9 – Монтажное положение (BAL,BAR,AAL,AAR,VAL,VAR,WAL,WAR)
10 – Мощность электродвигателя, kW
11 – Крутящий момент на выходном валу, Nm
12 – Напряжение питания электродвигателя, V
13 – Частота питающей сети, Гц
14 – Количество полюсов электродвигателя (2,4,6)

Типоразмер
M max, Нм

D - выходного вала,

мм

СMU30-U30
44
14
СMU30-U40
62
18
СMU30-U50
106
25
CMU40-U40
77
18
CMU40-U50
124
25
CMU40-U63
235
25
CMU40-U75
310
28
CMU40-U90
590
35
CMU50-U75
560
28
CMU50-U90
650
35
CMU50-U110
900
42
CMU63-U90
720
35
CMU63-U110
980
42
CMU75-U110
1100
42
CMU75-I130
1750
48
CMU90-I150
2700
55
CMU90-I175
4500
60

 

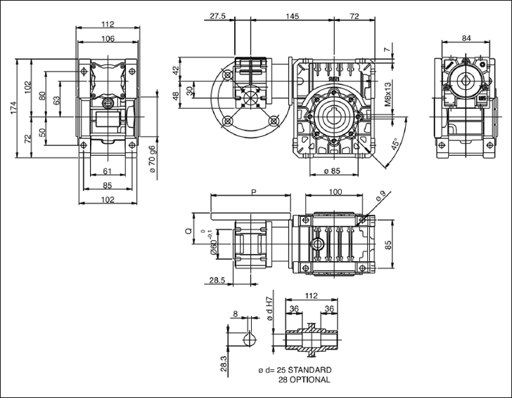
Габаритные и присоединительные размеры

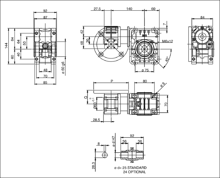
Червячные редукторы CMU30-U40

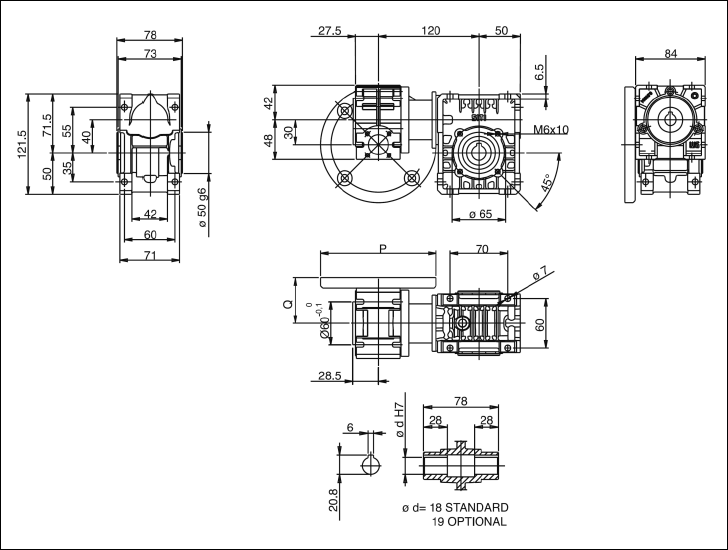
Червячные редукторы CMU30-U50

Червячные редукторы CMU30-U63

Червячные редукторы CMU40-U75

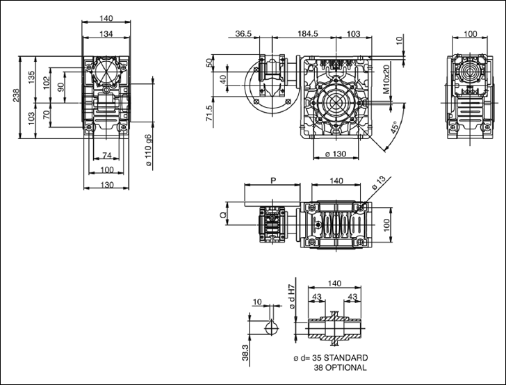
Червячные редукторы CMU40-U90

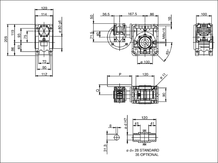
Червячные редукторы CMU50-U110

Реактивная штанга, выходной вал

Присоединительные размеры фланца электродвигателя

Монтажные положения

Вес червячных редукторов серии CMU, кг

Выходные обороты и мощность электродвигателей (кВт) pdf.

 

CMU30-U40

CMU30-U40

Назад

CMU30-U50

CMU30-U50

Назад

CMU30-U63

CMU30-U63

Назад

CMU40-U75

CMU40-U75

Назад

CMU40-U90

CMU40-U90

Назад

CMU50-U110

CMU50-U110

Назад

Присоединительные размеры фланца электродвигателя

Присоединительные размеры фланца электродвигателя

PAM
N
M
P
Q
225
300
400
450
500
600
750
900
1200
1500
1800
2400
3200
4000
5000
D
CMU30-U40
56B5
80
100
120
54,5
9
9
9
9
9
9
9
9
9
9
9
9
9
9
9
5614
50
65
80
54,5
CMU30-U50
56B5
80
100
120
54,5
9
9
9
9
9
9
9
9
9
9
9
9
9
9
9
5614
50
65
80
54,5
63B5
95
115
140
54,5
11
11
11
11
63B14
60
75
90
54,5
CMU30-U63
56B5
80
100
120
54,5
9
9
9
9
9
9
9
9
9
9
9
9
9
9
9
5614
60
75
90
54,5
63B5
50
65
80
54,5
11
11
11
11
11
11
11
11
11
63B14
60
75
90
54,5
CMU40-U75
63B5
95
115
140
65
11
11
11
11
11
11
11
11
11
11
11
11
11
11
11
63B14
60
75
90
65
71B5
110
130
160
66
14
14
14
14
14
14
14
14
14
71B14
70
85
105
66
CMU40-U90
63B5
95
115
140
65
11
11
11
11
11
11
11
11
11
11
11
11
11
11
11
63B14
60
75
90
65
71B5
110
130
160
66
14
14
14
14
14
14
14
14
14
71B14
70
85
105
66
CMU50-U110
63B5
95
115
140
78
11
11
11
11
11
63B14
/
/
/
/
71B5
110
130
160
78
14
14
14
14
14
14
14
14
14
14
14
14
14
71B14
70
85
105
75
80B5
130
165
200
78
19
19
19
19
19
19
19
19
80B14
80
100
120
77

Назад

Реактивная штанга, выходной вал

выходной вал

A
A1
B
B1
C
C1
D h7
d
L
b1
t1
MU30
28,5
57
35
35
30
30
14
M5
127
5
16
MU40
39
78
43
43
40
40
18
M5
164
6
20,5
MU50
46
92
53,5
53,5
50
50
25
M8
199
8
28
MU63
56
112
65
53,5
60
50
25
M8
219
8
28
MU75
60
120
70
63,5
60
60
28
M8
247
8
31
MU90
70
140
65
84,5
60
80
35
M8
309
8
38
MU110
77,5
155
126
84,5
110
80
52
M10
324
12
45

Реактивная штанга

A
B
C
D
R
MU30
85
26,5
12,5
8
12,4
MU40
100
29,5
20
10
30
MU50
100
35,5
20
10
36
MU63
150
46
20
10
30
MU75
200
47,5
25
14
37,5
MU90
200
57,5
25
14
37,5
MU110
250
64,5
25
14
37,5

Назад

Монтажные положения двухступенчатых червячных редукторов серии CMU

Монтажные положения двухступенчатых червячных редукторов серии CMU

Назад

Положение клемной коробки электродвигателя

Положение клемной коробки электродвигателя

Назад

Вес червячных редукторов серии CMU

MU 30
1
MU 40
2
MU 50
3,4
MU 63
5,5
MU 75
8
MU 90
13
MU110
20

 

 
© 2014 Редукторы, мотор-редукторы, устройства плавного пуска, преобразователи частоты