Мотор-редуктор NMRV 050

Мотор-редукторы NMRV

Червячный одноступенчатый мотор-редуктор NMRV 050 используется в качестве привода общего назначения. Предназначен для понижения оборотов двигателя в диапазоне передаточных чисел 5 – 100. Максимальная подводимая мощность составляет 1,5 кВт, а максимальный момент может достигать 89 Нм.

Вернуться в общее описание

 

Редукторы NMRV имеют следующие типоразмеры:

nmrv 030, nmrv 040, nmrv 050, nmrv 063, nmrv 075, nmrv 090, nmrv 110, nmrv 130, nmrv 150

  • Типоразмер - 050 - изготавливается из алюминиевого сплава, литого под давлением;
  • Нагрузочная способность в соответствии с: ISO 14521, ISO 6336, DIN 3990, DIN 743, ISO 281, DIN 3996, BS 721, AGMA 6034;
  • Передаточное отношение - 5 - 100;
  • Мощность электродвигателя - 0,09 - 1,5 квт;
  • Момент на выходном валу - 12 - 89 Нм;
  • Окраска редуктора синяя - RAL 5010.

 

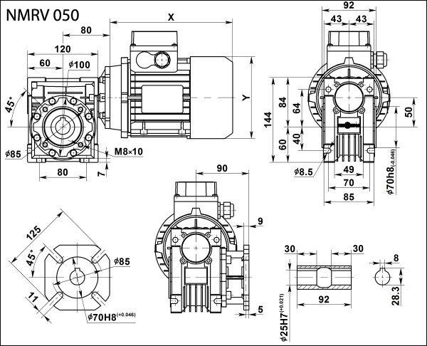
Габаритные и присоединительные размеры NMRV 050

Габаритные и присоединительные размеры NMRV 050

 

Выходные обороты и мощность электродвигателя

Мощность электродвигателя в кВт
Скорость вращения выходного вала в об/мин
Момент на выходном валу в Нм
Сервис-фактор s/f
Передаточное отношение - i
Габарит и количество полюсов электродвигателя
Максимальная радиальная нагрузка на выходной вал
0,09
15.0
32
2.3
60
63B6
4183
11.3
37
1.8
80
4604
9.0
42
1.3
100
4840
0,12
23.3
29
2.3
60
63A4
3610
17.5
35
1.9
80
3973
14.0
40
1.4
100
4280
22.5
32
2.6
40
63C6
3654
18.0
38
2.0
50
3936
15.0
42
1.7
60
4183
11.3
50
1.4
80
4604
9.0
56
1.0
100
4840
0,18
46.7
24
2.1
60
63A2
2865
35.0
30
1.5
80
3153
28.0
34
1.2
100
3397
35.0
33
2.3
40
63 B4
3153
28.0
39
1.9
50
3397
23.3
43
1.6
60
3610
17.5
52
1.2
80
3973
14.0
60
0.9
100
4280
18.0
56
1.4
50
71A6
3936
15.0
63
1.1
60
4183
11.3
75
0.9
80
4604
0,25
35.0
42
1.1
80
63B2
3153
28.0
48
0.8
100
3397
70.0
27
2.7
20
71A4
2503
56.0
32
2.2
25
2696
46.7
37
2.3
30
2865
35.0
46
1.7
40
3153
28.0
54
1.4
50
3397
23.3
60
1.1
60
3610
17.5
72
0.9
80
3973
45.0
40
1.9
20
71 B6
2900
36.0
48
1.5
25
3124
30.0
54
1.7
30
3320
22.5
67
1.2
40
3654
18.0
78
1.0
50
3936
15.0
88
0.8
60
4183
0,37
112.0
25
2.0
25
71A2
2140
93.3
29
2.2
30
2274
70.0
37
1.6
40
2503
56.0
44
1.2
50
2696
46.7
50
1.0
60
2865
35.0
62
0.7
80
3153
140.0
22
3.3
10
71 B4
1987
93.3
31
2.4
15
2274
70.0
40
1.8
20
2503
56.0
48
1.5
25
2696
46.7
55
1.5
30
2865
35.0
68
1.1
40
3153
28.0
80
0.9
50
71B4
3397
23.3
89
0.8
60
3610
180.0
17
4.3
5
80A6
1827
120.0
25
3.3
7.5
2091
90.0
33
2.5
10
2302
60.0
47
1.8
15
2635
45.0
60
1.3
20
2900
36.0
72
1.0
25
3124
30.0
80
1.1
30
3320
0,55
140.0
31
1.7
20
71B2
1987
112.0
38
1.4
25
2140
93.3
43
1.5
30
2274
70.0
55
1.1
40
2503
56.0
65
0.8
50
2696
46.7
74
0.7
60
2865
280.0
17
3.7
5
80A4
1577
186.7
25
2.9
7.5
1805
140.0
32
2.2
10
80A4
1987
93.3
46
1.6
15
2274
70.0
59
1.2
20
2503
56.0
71
1.0
25
2696
46.7
81
1.0
30
2865
120.0
38
2.2
7.5
80B6
2091
90.0
49
1.7
10
2302
60.0
69
1.2
15
2635
45.0
89
0.9
20
2900
0,75
560.0
12
3.9
5
80А2
1251
373.3
17
3.0
7.5
1433
280.0
23
2.4
10
1577
186.7
33
1.7
15
1805
140.0
42
1.3
20
1987
112.0
51
1.0
25
2140
93.3
58
1.1
30
2274
280.0
23
2.7
5
80В4
1577
186.7
34
2.1
7.5
1805
140.0
44
1.6
10
1987
93.3
63
1.2
15
2274
70.0
81
0.9
20
2503
1,1
560.0
17
2.6
5
80B2
1251
373.3
25
2.1
7.5
1433
280.0
33
1.6
10
1577
186.7
48
1.2
15
1805
140.0
62
0.9
20
1987
1,5
560.0
23
1.9
5
90S2
1251
373.3
35
1.5
7.5
1433
280.0
45
1.2
10
1577
186.7
65
0.9
15
1805

 

Пример заказа редуктора:

NMRV - 050 - 100 - 14 - 0,12 - B3

NMRV - модель червячного редуктора
050 - габарит межцентровое расстояние в мм
100 - передаточное число
14 - скорость вращения выходного вала, об/мин
0,12 - мощность электродвигателя, кВт
B3 - расположение в пространстве

 

 
© 2014 Редукторы, мотор-редукторы, устройства плавного пуска, преобразователи частоты