Трехступенчатые цилиндрические редукторы ЦЗУ-160, ЦЗУ-200, ЦЗУ-250, техническое описание и цены

ЦЗУ-160, ЦЗУ-200, ЦЗУ-250

Техническое описание

Условия применения

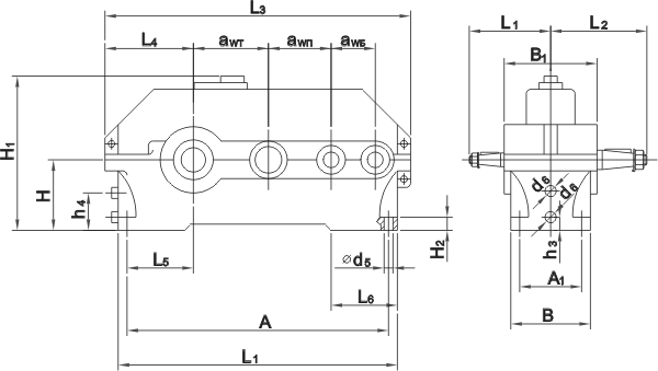
Габаритные и присоединительные размеры

Варианты сборки

Технические характеристики

 

 

Техническое описание

Редукторы цилиндрические трехступенчатые серии ЦЗУ-160, ЦЗУ-200, ЦЗУ-250 предназначены для понижения угловых скоростей в широком диапазоне передаточных чисел. Серия имеет три типоразмера и комплектуется опционально цилиндрическими валами. Редукторы наши широкое применение во многих отраслях машиностроения.

 

 

Условия использования редукторов

  • Тип и характер нагрузки: постоянная/переменная, одно  направление/реверсивная;
  • Особенности режимов работы: длительная (до 24 часов/сут.), с периодическими остановами;
  • Вращение вала: в обе стороны с частотой < 1800 об/мин.;
  • Атмосфера: I и II (ГОСТ 15150 – 69), запыленность окружающего воздуха < 10 мг/куб.м.;
  • Специфика климатических исполнений: У и Т, категории размещения 1...3; и модификация УХЛ и О для категории 4, модели редукторов 1Ц3У-160 - исполнение ХЛ категории 1...3 (ГОСТ 15150-69).

 

Габаритные и присоединительные размеры

 

Габаритные и присоединительные размеры Ц3У160 - Ц3У250

Входной/выходной вал Ц3У160 - Ц3У250

 


Параметр
Типоразмер редуктора
ЦЗУ-160
ЦЗУ-200
ЦЗУ-250
aw Б
160
200
250
aw П
100
125
160
aw Т
80
100
125
А
475
580
750
А1
140
165
218
В
195
230
280
B1
206
243
290
Н
170
212
265
Н1
345
425
530
Н2
28
36
40
L1
160
190
236
L2
224
280
335
L3
630
775
950
L4
195
236
290
L5
136
165
212
L6
145
185
230
L7
530
650
825
b1
4
5
5
b2
14
18
22
d1
20
25
30
d2
55
70
90
d3
М12х1.25
M16xl,5
M20xl,5
d4
МЗ6xЗ
М48х3
М64х4
d5
24
24
8
d6
М24
М24
М24
d7
40
45
50
d8
88
100
130
h1
4
5
5
h2
9
11
14
h3
32
32
32
h4
110
125
160
l1
36
42
58
l2
82
105
130
l3
50
60
80
l4
110
140
170
t1
2,5
3,0
3,0
t2
5,5
7,0
9,0
Объем заливаемого масла, л
6,2
12,0
18,4
Масса, кг
160
186
335

 

 

Варианты сборки редукторов типа Ц3У

Варианты сборки редукторов типа Ц3У

 

 

Технические характеристики цилиндрических редукторов ЦЗУ

Параметр
Типоразмер редуктора
ЦЗУ-160
ЦЗУ-200
ЦЗУ-250
Номинальные передаточные числа
31,5; 40; 45; 50; 56; 63; 80; 100; 125; 160; 200
16; 20; 25; 31,5; 40; 45; 50; 56; 63; 80; 100; 125; 160; 200
Номинальный вращающий момент на выходном валу Н*м
1250
2500
5000
Номинальная радиальная сила, Н:
на входном валу
500
1000
2000
на выходном валу
8000
11200
16000
Объем заливаемого масла, л
6,2
12,0
18,4
Масса, кг
106
186
335


Двухступенчатые цилиндрические редукторы 1Ц2У-100, 1Ц2У-125, 1Ц2У-160, 1Ц2У-200, 1Ц2У-250

Одноступенчатые цилиндрические редукторы серии ЦУ-100, ЦУ-160, ЦУ-200, ЦУ-250

Двухступенчатые цилиндрические редукторы серии 1Ц2У-315Н, 1Ц2У-355Н, 1Ц2У-400Н, 1Ц2Н-450, 1Ц2Н-500

Трехступенчатые цилиндрические редукторы ЦЗУ-160, ЦЗУ-200, ЦЗУ-250

Одноступенчатые червячные редукторы серии 1Ч-63А

Одноступенчатые червячные редукторы Ч-100, Ч-125, Ч-160

Одноступенчатые червячные редукторы 1Ч-160

Двухступенчатые редукторы Ч2-160

Редукторы червячные одноступенчатые 4Ч-80

Одноступенчатые червячные редукторы Ч-80

Одноступенчатые червячные редукторы 2Ч-40, 2Ч-63, 2Ч-80

Цилиндрические соосные мотор-редукторы MTC A

Цилиндрические соосные мотор-редукторы R (RF)

Двухступенчатые мотор-редукторы 4МЦ2С, 4МЦ2С-63, 4МЦ2С-80, 4МЦ2С-100, 4МЦ2С-125

Цилиндрические мотор-редукторы 1МЦ2С, 1МЦ2С-63, 1МЦ2С-80, 1МЦ2С-100, 1МЦ2С-125

Цилиндрические плоские мотор-редукторы серии F

Мотор-редукторы планетарные тип: 3МП-31,5; 3МП-40; 3МП-50; 3МП-63; 3МП-80; 3МП-100; 3МП-125

Мотор-редукторы планетарные двухступенчатые МПО2М-10, МПО2М-15

Мотор-редукторы планетарные одноступенчатые типа МПО1М-10

Мотор-редукторы планетарные МРВ-02 и МРВ-04

Волновые мотор-редукторы ЗМВз

Цилиндро-конические мотор-редукторы K

 

 
© 2014 Редукторы, мотор-редукторы, устройства плавного пуска, преобразователи частоты